English
Español
Português
русский
Français
日本語
Deutsch
tiếng Việt
Italiano
Nederlands
ภาษาไทย
Polski
한국어
Svenska
magyar
Malay
বাংলা ভাষার
Dansk
Suomi
हिन्दी
Pilipino
Türkçe
Gaeilge
العربية
Indonesia
Norsk
تمل
český
ελληνικά
український
Javanese
فارسی
தமிழ்
తెలుగు
नेपाली
Burmese
български
ລາວ
Latine
Қазақша
Euskal
Azərbaycan
Slovenský jazyk
Македонски
Lietuvos
Eesti Keel
Română
Slovenski
मराठी
Srpski језик
Gnéithe táirge
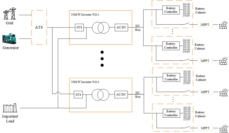
1.Loads níos mó ná 500 kW, moltar úsáid a bhaint as cumas mór inverter stórála fuinnimh aon-aonad 500 kW, atá in ann tacú le suas le ceithre shraith de naisc comhthreomhar, a bhaint amach aschur cumhachta attal de 2 MW ;
2. Nuair a bhíonn córais iolracha 500 kW á n-oibriú ag an am céanna agus ag dáileadh STSacross inverters éagsúla 500 kW, tá sé ríthábhachtach a chinntiú go bhfuil an fad cábla ón bpointe ceangail greille go dtí an pointe ceangail ualaigh comhsheasmhach;
3. Fostaíonn an ESS hibrideach comhtháthú fótavoltach DC-chúpláilte, ag baint amach éifeachtacht chomhshó ardfhuinnimh agus optamaithe le haghaidh cásanna lasmuigh den ghreille le cumas giniúna PV níos mó ná éileamh ualaigh; MPPT rátáilte lasmuigh
comhtháthaíonn rialtóirí feidhmiúlachtaí cumaisc agus MPPT isteach in imfhálú cruaite amháin. Áirítear leis an gcóras iomlán rogha gineadóir díosail ATS, inverter hibrideach 300kW, rialtóir PV MPPT, agus ceallraí
córas stórála fuinnimh.


Sonraíocht
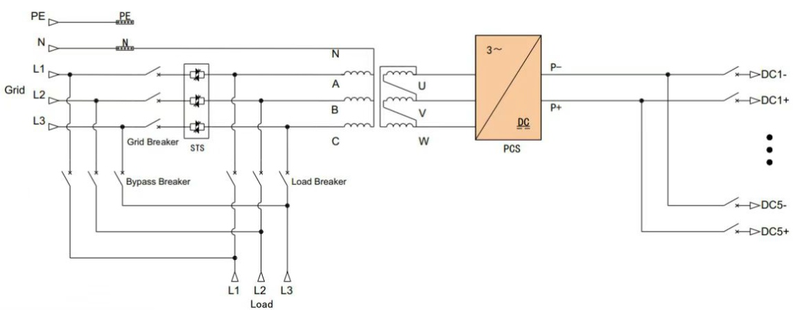
| Múnlaí | P500TS-400-A | |
|
Paraiméadair DC-Side |
Raon voltais | 500-950V |
| Uasmhéid reatha | 1128A | |
| Cumhacht aschurtha rátáilte | 500kW | |
|
Paraiméadair AC-Side (ceangailte le greille) |
Cumhacht aschuir uasta | 550kW |
| Sruth aschuir rátáilte | 722A | |
| THDi | <3% | |
| Cineál greille | 3W+N+PE | |
| Raon voltais | 360VAC~440VAC | |
| Raon minicíochta | 45~ 55Hz/55~65Hz | |
| Fachtóir cumhachta | -1~1 | |
| Cumhacht aschurtha rátáilte | 500kW | |
|
Paraiméadair taobh AC (Lasmuigh den Ghreille) |
Voltas aschuir rátáilte | 400V |
| Minicíocht aschuir rátáilte | 50/60Hz | |
| THDu | <1%Luchtú Líneach,<5%Luchtáil Neamhlíneach | |
| Cumas ró-ualaithe | 110% 10 Nóiméad | |
| Lasc seachbhóthar cothabhála | 1250A | |
|
Lasc den Eangach agus cumraíocht lasc |
lasc DC | 1250A |
| Lasc luchtaithe | 1250A | |
| lasc greille | 1250A | |
| Aonad STS | 1155A/800kW | |
| Am athrú | <20ms | |
|
Paraiméadair córais |
Buaic-éifeachtúlacht | 97.5% |
| Teocht oibriúcháin | -30 ~ 55 ℃ (Dírithe os cionn 40 ℃) | |
| Taise choibhneasta | 0 go 95% RH, Neamh-chomhdhlúthú | |
| Toisí(L*D*H) | 1600×1050×2050mm | |
| Meáchan | 2700kg | |
| IPgrade | IP21 IP21 (meaisín iomlán) | |
| Torann | <70dB | |
| Scáileán taispeána | LCD | |
| Cumarsáid BMS | FÉIDIR | |
| EMS cumarsáide | TCP/IP | |